1.Standard
Material specification: National Standard:GB/T 1220 S30403
SizeStandard: National Standard: YB/T 3094
2. Chemical Composition
S30403 Chemical Composition%
| Elements | C | Mn | P | S | Si | Cr | Ni | N |
| Min | 18.00 | 8.00 | ||||||
| Max | 0.030 | 2.00 | 0.045 | 0.030 | 1.00 | 20.00 | 12.00 | 0.1 |
| Actual value | 0.015 | 1.12 | 0.018 | 0.004 | 0.52 | 18.68 | 10.32 | 0.03 |
3. Mechanical Properties
S30403 Mechanical Properties
| Mechanical Properties |
Tensile strength MPa |
Yield
strength
MPa |
Hardness HBW |
Elongation (longitudinal) % |
Grain Size |
| Min(Requirement) | 480 | 175 | 40 | ||
| Max(Requirement) | 187 | ||||
| Actual value | 508 | 323 | 166 | 48 | 7.5 |
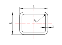
4. Typical Size


| Size | Size Tolerance | ||
| A | B | t | |
| 100*100*8 | 100±0.8 | 8±0.8 | |
| 160*160*6 | 160±1.0 | 6±0.34 | |
| 100*80*8 | 100±0.8 | 80±0.5 | 8±0.8 |

